• 香蕉视频一区二区,大香蕉手机在线视频,久久大香蕉久久,香蕉免费视频APP

    行业新闻

    铁匠为什么要对刀刃淬火

    今天,随着科学技术的进步,香蕉视频一区二区很少看到以前街边那种小铁匠铺了,打铁的人也不叫铁匠,叫锻造或者热处理工程师了。相信有很多人有这样的记忆,一个铁匠把烧得通红的钢锻打成斧头和菜刀,然后将刀口部分迅速放入水或油中冷却,香蕉视频一区二区称这种过程为淬火。远古时代香蕉视频一区二区的祖先就知道淬火能使钢变硬,并用这种方法制造了大量兵器及农具,但直到近代才真正弄清淬火使钢变硬的机理。
    铁匠为什么要对刀刃淬火(图1)
     
     
     
    淬火是将工件加热奥氏体化后以适当方式冷却获得马氏体或贝氏体组织的热处理工艺。最常见的有水冷淬火、油冷淬火、空冷淬火等。淬火的目的是使过冷奥氏体进行马氏体或贝氏体转变,得到马氏体或贝氏体组织,然后配合以不同温度的回火,以大幅提高钢的刚性、硬度、耐磨性、疲劳强度以及韧性等,从而满足各种机械零件和工具的不同使用要求。也可以通过淬火满足某些特种钢材的铁磁性、耐蚀性等特殊的物理、化学性能。
     
     
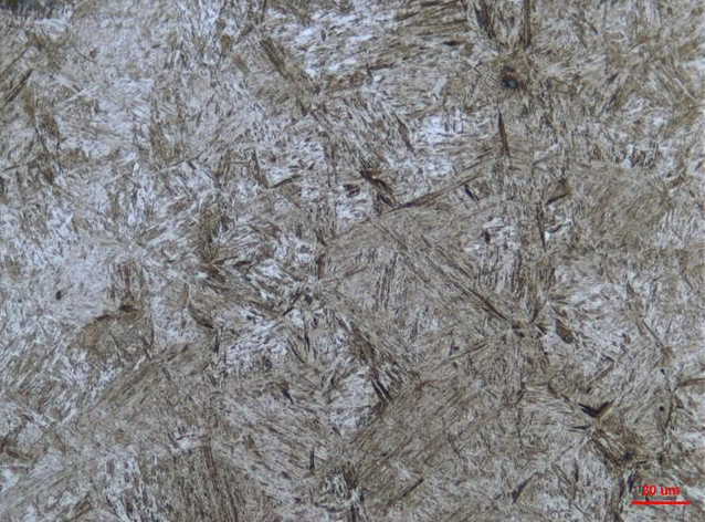
    是的,仅仅是将钢加热至奥氏体化,然后加快冷却速度,就得到了与之前完全不同的微观结构。下面是一种中碳合金钢调质组织,相同位置淬火后变成了完全不同的组织—马氏体。
     
    铁匠为什么要对刀刃淬火(图2)
    淬火前组织金相图 
     铁匠为什么要对刀刃淬火(图3)
     
    淬火后组织金相图
     
     
     
    那马氏体为什么是高强度、高硬度的呢?原因稍微复杂一些,主要是马氏体转变时有固溶强化作用。马氏体中以间隙式溶入的过饱和碳原子将强烈的引起点阵畸变,从而形成与碳原子为中心的应力场,该应力场与位错发生强烈的交互作用,阻碍位错运动,故使马氏体显著强化。还有相变强化作用。马氏体转变的切变特性将在晶体内产生大量的晶体缺陷,如位错、孪晶和层错等,使得马氏体强化,其本质类似于形变强化。以及时效强化作用。马氏体发生时效(自回火),碳原子通过扩散产生偏聚或碳化物弥散析出,钉扎位错,阻碍位错运动,从而造成马氏体时效强化。
     
    这些强化作用使马氏体变得高强度高硬度,从而可以作为锋利的刀锋,砍柴切菜不在话下。

    |

    联系海瑞拓

    第一时间了解香蕉视频一区二区的新产品发布和最新的资讯文章。
    广东海瑞拓自动化有限公司是一家专注于高端工业装备研发、制造与销售的高新技术企业。公司扎根于制造业底蕴深厚的广东省,致力于为全球金属加工及制造业客户提供高效、精密、可靠的热处理自动化解决方案。公司拥有强...

    您有什么问题或要求吗?

    点击下面,香蕉视频一区二区很乐意提供帮助。 联系海瑞拓
    Copyright © 2025 广东海瑞拓自动化有限公司 版权所有    粤ICP备55060799号-1
    QQ在线咨询
    售前咨询
    13202670056
    售后服务
    0769-82893876
    网站地图